電動排煙天窗作為一種重要的排煙和采光設施,其電氣控制系統的科學性和合理性對建筑的安全運行至關重要。本文將圍繞電動排煙天窗的電氣原理進行探討,并結合11cj33通風采光天窗圖集,闡述其在實際應用中的重要性。
電動排煙天窗是一種通過電力驅動實現開閉的天窗,主要應用于大型工業廠房、商場、體育館等場所。在火災發生時,窗扇能迅速開啟,排出室內煙霧,為人員疏散創造有利條件。
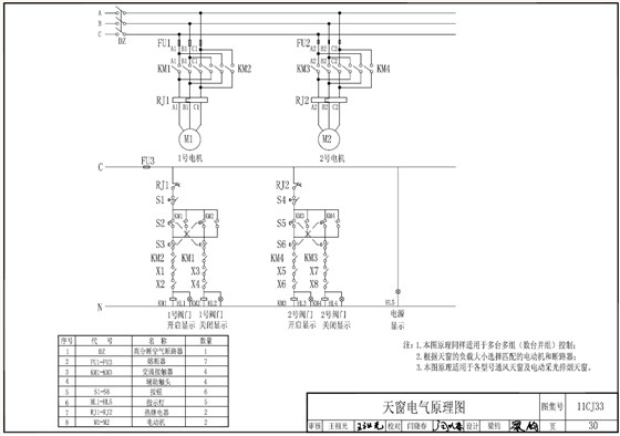
11cj33通風采光天窗圖集,作為國家建筑標準設計圖集,詳細規定了通風采光天窗的設計、安裝及使用規范,同時,給出了電動排煙天窗的電氣原理圖。
本圖原理同樣適用于多臺多組(數臺并組)控制,需要根據電動排煙天窗的負載大小選擇匹配的電動機和斷路器。
此外,屋頂電動排煙天窗的電氣控制系統主要包括電源模塊、控制模塊、驅動模塊以及傳感器模塊。其中電源模塊負責為控制系統提供穩定的電力供應。控制模塊則根據接收到的信號,如煙霧傳感器、溫度傳感器的信號,來決定是否啟動排煙程序。驅動模塊通過電機驅動天窗開啟或關閉。傳感器模塊能夠實時監測環境變化,確保系統的及時響應。

MCW5型通風天窗(暗扣式)
MCW7型通風天窗(箱型骨架式)
C1XT三角形電動采光排煙天窗(下開式)
TC5型流線型通風天窗